- [新聞]-->APT亮相中部制博會
- [新聞]-->APT亮相重慶高新技術交易會
- [新聞]-->APT參展2012第16屆中國(天津)國際裝備制造業博覽會
- [產品]-->ALH-0.66M系列電流互感器
- [產品]-->63安培系列萬能轉換開關
- [產品]-->Φ30 AD16-30系列蜂鳴器
產品推薦
產品分類
聯系方式
- 聯系人:西門子
- 郵 箱:sales@china-apt.com
- 地 址:上海市廣中西路777弄55號 啟迪大廈301
- 電 話:021-56553757
- 傳 真:021-56551750
- 網 址:http://www.china-apt.com
63安培系列萬能轉換開關
發布時間:2011-09-19
.jpg)
產品特點
LW39-63系列萬能轉換開關穩重大方,開關觸點容量大,適用于交流50-60Hz,電壓690V及以下,直流440V以以下的電路中作電路的接通、分斷和轉換對單臺電動機的起動、加速、控制和停止之用。亦可在大容量控制電路中作為電器控制的轉換和配電設備的遠距離控制之用。
■ 微板采用進口材料和國外同類產品技術制作,美觀耐用,達到國際水準,可根據不同的客戶需要,雕刻特殊的字符文字;
■ 殼體采用阻燃PBT,耐熱、自熄;
■ 電氣性能更可靠,性價比高;
■ 定位角度有30°、60°、90°,一周共有12個位置;
■ 開關觸點容量大,約定發熱電流為63A;
■ 擁有了普通型,帶鎖型,安全型等多種功能 。
標準
GB/T14048.1—2000GB14048.3—2002GB14048.5—2001
工作條件
海拔高度不超過2000米
環境溫度-25℃——+55℃
空氣相對濕度不超過90%
安裝類別Ⅲ
污染等級3級
主要技術數據
額定絕緣電壓UiAC690V約定發熱電流 lth:63A
機械壽命: 30萬次
各種使用類別的額定工作電流值
.jpg)
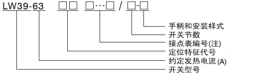
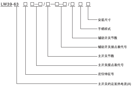
型號含義

注:接點表編號由從做開始的各個操作位置接通觸點數量的數字排列。
表1基本型號的定位特征代號
.jpg)
操作電動機開關的產品型號

表2 操作電動機的用途特征代號
![]()
安裝
開關用4個M4×18沉頭螺釘組,安裝在厚度1~4mm的鍋板或足夠強度的塑料板上。開關的外形尺寸和安裝尺寸
.jpg)
注:(1)N為開關節數
(2)“1-4mm”的安裝尺寸,可以按照客戶要求,定制任何按長尺寸的轉換開關。客戶要求的安裝尺寸可以標志在開關型號的手柄樣式后面。如采用G型安全型手柄、安裝尺寸為40mm的63A轉換開關,型號為:LW39-63□□…□/□GK40
簡介
LW39-16系列轉換開關用于既要在配電線路中通斷電路,又要把通斷電路信號傳遞給控制電路的場合。這個開關由LW39-系列轉換開關作為主開關,LW39B-16系列萬能轉換開關作為輔助開關,二個開關組合而成 。
.jpg)
型號含義

LW39-16系列轉換開關外型尺寸和安裝尺寸
.gif)
L為客戶要求的安裝尺寸,n為16A開關節點






