- [產品]-->運動控制卡DMC5480
- [產品]-->運動控制卡DMC4420
- [產品]-->運動控制卡DMC4400
您所在的位置:紡機網 >> >> 42系列兩相步進電機
產品推薦
產品分類
聯系方式
- 聯系人:
- 郵 箱:info@leisai.com
- 地 址:深圳市南山區登良路25號天安南油工業區二棟三樓
- 電 話:0755-26433338(20線)
- 傳 真:0755-26402718
- 網 址:http://www.leisai.com
42系列兩相步進電機
發布時間:2012-01-17
.jpg)
42系列兩相步進電機
通用規格
|
步距精度
|
+5%(整步、空載)
|
|
溫升
|
80°CMax
|
|
環境溫度
|
-10°C -- +50°C
|
|
絕緣電阻
|
100MΩmin.500VDC
|
|
耐壓
|
500VAC for one minute
|
|
徑向跳動
|
0.06 Max.(450g-load)
|
|
軸向跳動
|
0.08 max.(450g-load)
|
技術規格
|
Model No.
|
相數
|
步距角
|
保持轉矩
|
額定電流
|
相電感
|
相電阻
|
引線數量
|
轉子慣量
|
定位轉矩
|
電機重量
|
機身長
|
軸端長
|
|
(°)
|
N.M
|
A
|
mH
|
Ohm
|
g.cm2
|
Kg.cm
|
Kg
|
mm
|
mm
|
|||
|
42HS02
|
2
|
1.8
|
0.22
|
0.4
|
21
|
12.5
|
4
|
57
|
0.15
|
0.24
|
40
|
16
|
|
42HSM02
|
2
|
0.9
|
0.24
|
0.87
|
7.5
|
3.1
|
4
|
38
|
0.15
|
0.23
|
34
|
21
|
|
42HS03
|
2
|
1.8
|
0.34
|
1
|
4
|
4.6
|
8
|
0.2
|
200
|
0.34
|
48
|
24
|
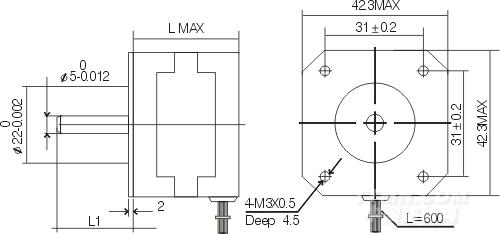
外形尺寸
引線接法
.jpg)
接線圖






