- [產品]-->運動控制卡DMC5480
- [產品]-->運動控制卡DMC4420
- [產品]-->運動控制卡DMC4400
您所在的位置:紡機網 >> >> 35系列兩相步進電機
產品推薦
產品分類
聯系方式
- 聯系人:
- 郵 箱:info@leisai.com
- 地 址:深圳市南山區登良路25號天安南油工業區二棟三樓
- 電 話:0755-26433338(20線)
- 傳 真:0755-26402718
- 網 址:http://www.leisai.com
35系列兩相步進電機
發布時間:2012-01-17
.jpg)
35系列兩相步進電機
通用規格
|
步距精度
|
+5%(整步、空載)
|
|
溫升
|
80°CMax
|
|
環境溫度
|
-10°C -- +50°C
|
|
絕緣電阻
|
100MΩmin.500VDC
|
|
耐壓
|
500VAC for one minute
|
|
徑向跳動
|
0.06 Max.(450g-load)
|
|
軸向跳動
|
0.08 max.(450g-load)
|
技術規格
|
Model No.
|
相數
|
步距角
|
保持轉矩
|
額定電流
|
相電感
|
相電阻
|
引線數量
|
轉子慣量
|
定位轉矩
|
電機重量
|
機身長
|
|
(°)
|
N.M
|
A
|
mH
|
Ohm
|
g.cm2
|
Kg.cm
|
Kg
|
mm
|
|||
|
35HS01
|
2
|
1.8
|
0.07
|
0.4
|
16
|
35
|
4
|
12
|
0.1
|
0.17
|
26
|
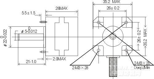
外形尺寸
.jpg)
接線圖
.jpg)






