- [產品]-->精密齒輪減速電機80ZGP555
- [產品]-->精密齒輪減速電機56ZGP555
- [產品]-->精密齒輪減速電機48BPP20
您所在的位置:紡機網 >> 常州市合泰電機電器有限公司 >> 直線混合式步進電機系列42BYGHL
產品推薦
產品分類
聯系方式
- 聯系人:于益平
- 郵 箱:info@ht-motor.com
- 地 址:江蘇省常州市武進區遙觀鎮勤新村工業集中區
- 電 話:0519-88898178(總機) 0519-88385510(銷售)
- 傳 真:0519-88770911
- 網 址:http://www.ht-motor.com
直線混合式步進電機系列42BYGHL
發布時間:2012-04-11
產品名稱:直線混合式步進電機
產品型號:42BYGHL
使用材料:-
產品規格:-
所屬分類:直線混合式步進電機系列
文檔下載:點擊下載PDF文件42BYGHL
產品簡介:
HYBRIDLINEARACTUATORS(直線混合式步進電機)
GeneralSpecifications(詳細說明):
StepAccuracy…………………………………………………±5%
TemperatureRise…………………………………………80℃Max
AmbientTemperatureRange…………………………-20℃~+50℃
InsulationResistance………………………100MΩMin.500VCDC
DielectricStrength………………………………500VAC1S
ElectricalSpecifications(技術數據):
| 電機型號 Model |
步矩角 Step angle (º) |
機身長 Motor Length L(mm) |
相電壓 Rated voltage (V) |
相電流 Rated Current (A) |
相電阻 Phase Resistance (Ω) |
相電感 Phase Inductance (mH) |
靜轉矩 Holding Torque (Kg.cm) |
引線數 Lead Wire (NO.) |
定位力矩 Detent Torque (Kg.cm) |
轉動慣量 Rotor Inertia (kg.cm²) |
重量 Motor weight (kg) |
| 42BYGHL240 | 0.01 | 34 | 5.4 | 0.8 | 6.7 | 9.5 | 2.5 | 4 | 0.2 | 0.034 | 0.20 |
| 42BYGHL602 | 0.02 | 40 | 12 | 0.4 | 26 | 23 | 3 | 6 | 0.22 | 0.054 | 0.26 |
| 42BYGHL801 | 0.04 | 48 | 12 | 0.4 | 30 | 22 | 3.8 | 6 | 0.28 | 0.068 | 0.36 |
*以上僅為代表產品,派生產品可根據客戶要求制作
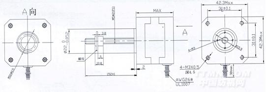
Mechanical Dimensions(外型圖)
.jpg)
Wiring diagram(接線圖):
.jpg)






