- [產品]-->精密齒輪減速電機80ZGP555
- [產品]-->精密齒輪減速電機56ZGP555
- [產品]-->精密齒輪減速電機48BPP20
您所在的位置:紡機網 >> 常州市合泰電機電器有限公司 >> 混合式步進電機系列85BYGH
產品推薦
產品分類
聯系方式
- 聯系人:于益平
- 郵 箱:info@ht-motor.com
- 地 址:江蘇省常州市武進區遙觀鎮勤新村工業集中區
- 電 話:0519-88898178(總機) 0519-88385510(銷售)
- 傳 真:0519-88770911
- 網 址:http://www.ht-motor.com
混合式步進電機系列85BYGH
發布時間:2012-04-10
產品名稱:混合式步行電機
產品型號:85BYGH
使用材料:-
產品規格:-
所屬分類:混合式步進電機系列
文檔下載:點擊下載PDF文件85BYGH
產品簡介:
HYBRIDSTEPPINGMOTOR(混合式步進電機)
GeneralSpecifications(詳細說明):
StepAccuracy…………………………………………………±5%
TemperatureRise…………………………………………80℃Max
AmbientTemperatureRange…………………………-20℃~+50℃
InsulationResistance………………………100MΩMin.500VCDC
DielectricStrength………………………………500VAC1minute
ElectricalSpecifications(技術數據):
| 電機型號 Model |
步矩角 Step angle (º) |
機身長 Motor Length L(mm) |
相電壓 Rated voltage (V) |
相電流 Rated Current (A) |
相電阻 Phase Resistance (Ω) |
相電感 Phase Inductance (mH) |
靜轉矩 Holding Torque (N.m) |
引線數 Lead Wire (NO.) |
轉動慣量 Rotor Inertia (g.cm²) |
重量 Motor weight (kg) |
|
85BYGH450A-001 |
1.8 |
75 | 4.4 | 2 | 2.2 | 10 | 2.1 | 8 | 1.4 | 1.7 |
| 85BYGH450A-002 |
1.8 |
75 | 3 | 3 | 1 | 4.4 | 2.1 | 8 | 1.4 | 1.7 |
| 85BYGH450B-002 |
1.8 |
113 | 6.4 | 2 | 3.2 | 12 | 4.1 | 8 | 2.7 | 2.8 |
| 85BYGH450B-004-01 |
1.8 |
113 | 2.48 | 3.5 | 0.53 | 6.5 | 6 | 4 | 2.7 | 2.8 |
| 85BYGH450B-008 |
1.8 |
113 | 2.5 | 6 | 0.43 | 2.5 | 4.1 | 8 | 2.7 | 2.8 |
|
85BYGH450C-001 |
1.8 |
151 | 7.8 | 2 | 3.9 | 20 | 6.4 | 8 | 3.6 | 3.7 |
|
85BYGH450C-012 |
1.8 |
151 | 5.7 | 3 | 1.9 | 22 | 9.3 | 4 | 3.6 | 3.7 |
| 85BYGH450D-002 |
1.8 |
94 | 3.2 | 4 | 0.8 | 3.5 | 4.3 | 8 | 1.7 | 2.1 |
|
85BYGH450D-007 |
1.8 |
94 | 6.4 | 2 | 3.2 | 15 | 4.4 | 8 | 1.7 | 2.1 |
*以上僅為代表產品,派生產品可根據客戶要求制作
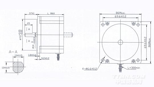
Mechanical Dimensions(外型圖)
.jpg)
Wiring diagram(接線圖):
.jpg)
Pulse-torque Characteristics (矩頻特性)















