- [產品]-->直線系列AMZ直線
- [產品]-->臺灣潭子DS心軸分割器
- [產品]-->臺灣潭子DF凸緣型分割器
產品推薦
產品分類
聯系方式
- 聯系人:陳凱
- 郵 箱:2480713845@qq.com
- 地 址:深圳市南山區創業路現代城華庭四棟10A
- 手 機:18929311955
- 電 話:0755-86170789
- 傳 真:0755-86171515
- 網 址:http://www.szpujiang.com
杰牌蝸輪蝸桿減速機JRSTED系列
發布時間:2014-08-20
蝸輪蝸桿減速機JRSTED系列
產品參數:產品型號: JRSTED額定功率:可匹配0.18KW~15KW電壓:null轉速/極數:null減速比:1/7.5-1/100安裝方式:null
蝸輪蝸桿減速機JRSTED系列為雙級蝸桿減速機,蝸輪蝸桿減速箱下置,上方多一減速機,帶法蘭盤。為了達到更大的減速比,才采用這樣的雙連體結構。蝸輪蝸桿減速機JRSTED系列具有承載能力高、傳動效率高、傳動比大、結構緊湊等特點,主要應用于冶金、礦山、起重、運輸、化工、建筑、建材、輕工等工業。
WP系列蝸桿減速機:產品規格40~250;傳動比單級10~60,雙級200~900;輸入功率0.12~33.2KW;輸出轉矩6~6050N?m。共60大系列20000余種不同的規格、傳動比、聯接和安裝方式可供選用。
JRST系列多置式蝸桿減速機:產品規格25~150;傳動比單級7.5~100,雙級300~5000;輸入功率0.06~15KW;輸出轉矩7~1788N?m。共10大規格22000余種型式、傳動比、聯接、安裝方式可供選用。
JRSS系列蝸輪絲桿升降機:產品規格35~150;傳動比5~40;輸入功率0.19~16.3KW;起升力500~26050kg。共10大規格280余種型式、傳動比、聯接、安裝方式可供選用。
蝸輪蝸桿減速機JRSTED系列安裝維護說明:
一:安裝
1:減速機入力軸直接與馬達連接時,應采彈性連軸器,出力軸直接與工作機連接時,宜采用齒輪連軸器。
2:減速機應安裝在穩固的基礎座,且須注意空氣流通及換油時,注油及洩油之方便性。
3:減速機入力軸及馬達出力軸之中心必須對準確,誤差不得大于所用連軸器之允許值。
4:減速機安裝后,用手轉動需靈活,不可有卡死現象。
5:減速機安裝好,使用前應先進行空負荷運轉,確定機器各部分都無異狀后,方可正式使用,如有故障應先排除。
如對安裝方式不夠了解還可參考:齒輪減速機外殼安裝方式和遵循的原則
二:潤滑。
1. 新減速機使用時,在運轉300小時后,需要換新油,其后每使用2500小時需換油;但在使用過程中仍應定期檢查油的質量,若油有雜質,老化,變質情況,必須隨時更換。
2. 減速機應使用固定品牌,號碼之齒輪油,不應將不同品牌,號碼或不同類型的油相混合使用。
3. 在換油過程中,應先將減速機內部清除干凈,再注入新油。
4. 在使用期間,當發現油溫過高(超過80。C以上)時,以及有不正常的噪音等現象,應立即停止使用,對其原因進行檢查。等排除故障或更換潤滑油后,才可以繼續使用。
5. 推薦用油:ISO HD—460極壓機油或中油HD—320之極壓機油,或中油90#多效齒輪油。
三:維護
1. 減速機應定期檢修,發現異狀或有顯著磨損,必須立即采取有效措施制止,使用零件之材質,精度亦須按照標準制造。更新零件手,應先進行空負荷運轉,確定正常后再正式使用。
2. 使用單位應建立合理的維護制度,封減速機的使用狀況及檢修中發現的問題做仔細記錄。
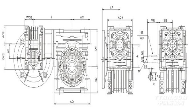
蝸輪蝸桿減速機JRSTED系列圖紙及詳細參數:






