- [產品]-->直線系列AMZ直線
- [產品]-->臺灣潭子DS心軸分割器
- [產品]-->臺灣潭子DF凸緣型分割器
產品推薦
產品分類
聯系方式
- 聯系人:陳凱
- 郵 箱:2480713845@qq.com
- 地 址:深圳市南山區創業路現代城華庭四棟10A
- 手 機:18929311955
- 電 話:0755-86170789
- 傳 真:0755-86171515
- 網 址:http://www.szpujiang.com
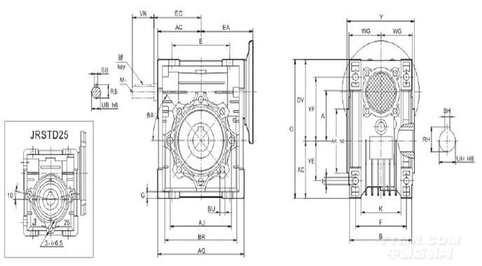
杰牌蝸輪蝸桿減速機JRSTB系列
發布時間:2014-08-20
蝸輪蝸桿減速機JRSTB系列
產品參數:
產品型號: JRSTB額定功率:可匹配0.18KW~15KW電壓:null轉速/極數:null減速比:1/7.5-1/100安裝方式:null
詳細參數
蝸輪蝸桿減速機JRSTB系列帶入力軸,雙入力軸。(如需要單入力軸減速機在購買時請聯系公司客服。)為典型的箱體結構,也叫蝸輪蝸桿減速器或蝸輪蝸桿減速箱。
具有蝸輪蝸桿減速機JRSTB系列所介紹的全部性能、特點之外,多置式蝸桿減速機還具有以下獨特優點:
1、箱體由優質鋁合金壓鑄而成,外形新穎、輕巧、光潔、美觀。
2、設計結構緊湊、體積小,重量輕,占用安裝空間小。
3、箱體外形設計及底腳孔設置布局適應多種安裝方式,具有動力輸入及轉矩輸出的多鐘聯接結構,滿足各種連接需要。通用性很強。
4、箱體四壁布滿眾多薄片,散熱性能好。
5、箱體為全封閉結構,密封性強。箱體內潤滑油不易損耗變質,不需更換,便于維護保養,
蝸輪蝸桿減速機JRSTB系列使用注意事項:
1 :使用前應注意檢查減速機型式結構、中心距規格、傳動比、輸入軸聯接方式、輸出軸結構、輸入軸輸出軸軸指向和回轉方向等是否符合使用要求,蝸桿輸入轉速最高不宜超過2000r/min。一般使用范圍為600-1800r/min.
2 :開機時應逐步施加載荷,不能滿載起動。
3 :型號25-90減速機僅設加油孔.出廠時減速機內已加好ISO VG320合成潤滑油。用戶無需加油.機器連續運轉約10000小時后,應該更換新潤滑油。
4 :型號110-150減速機設有加油孔、放油孔和油標,減速機內已加ISO VG460礦物潤滑油,用戶在使用前須拉掉通氣器上的栩膠環。首次運行500小時后更換新油.以后每隔約5000小時換油一次。
5 :減速機允許最高油溫為95,超過時應停機檢查。
6 :若減速機使用環境溫度超過或低于表中規定使用環境溫度5℃以上.請與我公司人員聯系。
蝸輪蝸桿減速機JRSTB系列詳細參數及圖紙:






