1.3非線性送經
編織花紋復雜的經編組織時,它們的完全組織一般延續許多橫列,針背墊紗長度不再固定,有時僅為一針,有時為 2針或3針,甚至高達7針,而編織的方式又有成圈和襯緯之別。一個完全組織內每個橫列的線圈長度不同,這時送經屬于非線性送經, 經軸角速度和經軸直徑呈非直線關系。 非線性送經系統一般用于拉舍爾經編機,可分為消極式機械送經機構 、 積極式機械送經機構和電子式送經機構 。
消極式機械送經機構是指由經紗張力直接拉動經軸進行送經的送經機構。該類送經機構根據不同控制特點又可分為經軸制動、可控制的經軸制動和紗架供紗三種形式。
積極式機械送經機構主要有雙速送經機構 ,在介紹經編送經的文獻及資料里有詳細說明,這里不再贅述。
電子式非線性送經系統有 EBA-2 step、 EBD 和 EBC ( 德文 El ektronische Baum-control ) 。 EBA-2step 和 EBD 具有雙速送經功能,可以在正常送經和雙速送經中任選一種,線性和非線性送經場合均可使用。
2 電子送經與 機械式送經系統比較
在現代高速特里科和拉舍爾經編機中 ,線性送經場合 最常用的機械式送經機構是 FAG送經裝置,該裝置能使經軸一直到經紗用完都保證連續、恒定的送經。FAG送經裝置由經編機主軸通過傳動裝置驅動經軸回轉進行送經,由測長裝置及無級變速調整裝置組成。測長裝置由機械式鏈輪鏈條組成,當調整感應桿及控制蝸輪之間產生速度差時,棘爪離開中間位置撐動棘輪,并且當速度差積累到一定程度時,棘爪才撐動棘輪轉動一齒。同時帶動絲桿回轉,使處于兩個錐體(圓錐輪)之間的摩擦(傳動)環改變工作位置,從而改變傳動比。在這些調整裝置的前面,各經軸按照織物組織要求與相應的送經變換齒輪連接,使各經軸按不同的送經比送出經紗。
FAG 送經裝置的缺陷是,在高速情況下,經軸轉速控制不準確,不能滿足送經量變化的要求。 由于機械式送經機構存在著許多傳動間隙,致使控制作用滯后于實際轉速的變化,因而機械式送經機構反饋性能不足,不能滿足更高速度的送經要求。特別在停車與開車時易造成明顯的停車橫條。 而且隨著車速的提高,差動齒輪磨損嚴重,不僅能量損耗很大,而且帶來噪音。此外由于技術上的原因,停車換軸時,人工轉動經軸非常困難,因此,操作舒適程度不高。
電子送經系統各經軸分別單獨控制,通過電機經減速器帶動經軸轉動。因為經軸的轉動慣量很大,而轉動角速度較低,所以必須選擇合適的減速器,以保證經軸獲得較大的啟動轉矩。電子送經的有關原理將在下文做詳細探討。
電子送經系統 與傳統的機械式送經相比具有如下突出優點:能實現更高的車速,提高了生產效率; 更改送經量方便、迅速,無需更換送經變換齒輪;更換經軸時 不需要人工轉動經軸,只需簡單按鍵即可;不需要通過主軸電動機經齒輪傳動經軸,各經軸采用單獨控制,減少了摩擦和能量損耗;減少了噪音 , 提高了操作的舒適性。
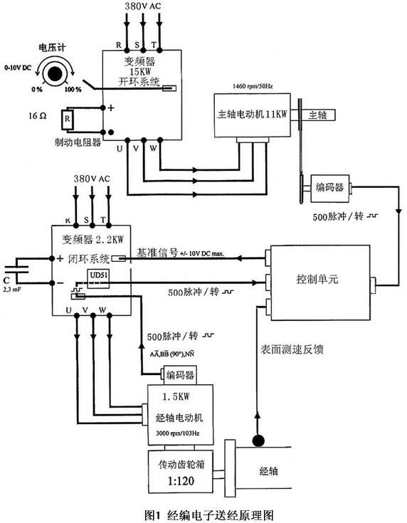
3 經編電子送經原理
在經編織造過程中,經軸直徑不斷變小,另外對于某些織物在編織一個完全組織的不同橫列時,紗線消耗量不同。因此,要使經軸按一定規律送出經紗,經軸轉速必須按一定規律變大。現代經編 電子送經系統不同于傳統的機械送經系統,每根經軸不再由主軸經過齒輪傳動,經軸轉速的改變也不再通過機械的無極調速實現,而實現完全電子控制。
經編機電子送經系統主要由三部分組成,即: 測速裝置(主要有采用表面感測羅拉直接測速和光電式編碼器間接測速兩種方式) 、控制單元(工控計算機、可編程控制器或單片機)、驅動裝置(伺服驅動器或變頻器)和電動機 。
.jpg)
相關信息 







推薦企業
推薦企業
推薦企業