在印染加工中棉織物或紗線絲光對提高棉制品的質量尤為重要。經絲光后制品的光澤、染色性能、尺寸穩定性和彈性都隨之獲得改善和提高。目前最常用的絲光液是濃燒堿溶液,盡管其它堿金屬如Li、K、Rb、Se的氫氧化物對纖維素也有一定的膨化作用,但它們的膨化能力隨原子量的增加而降低,且成本較高,沒有實際意義。此外,某些酸和鹽類溶液如硫酸、硝酸、氧化鋅等,雖可使纖維紊纖維膨化,獲得絲光效果,但實際生產困難,缺少使用價值。而無水液氨因分子量小,純度高,膨化性能優良,在6O年代后期進行過絲光研究,產品的光澤和染色性能不如濃燒堿,但手感和尺寸穩定性卻更好,因此常用在后整理中。
雙絲光是指紗線織成織物后進行兩次絲光,或紗線絲光后織成織物再絲光,或紗線絲光兩次。具體采用哪種雙絲光方式,可根據實際情況進行選擇。本實驗利用現有條件對純棉本白紗線進行雙絲光,以探求較好的絲光工藝。
1 實驗部分
1.1 實驗材料、儀器和方法
用8.5 teX燒毛紗線,燒堿,耐堿絲光滲透劑等;自制紗線絲光架,單紗強力儀,顯微鏡,測色儀等。紗線煮練按常規煮練工藝進行。用燒堿和耐堿絲光滲透劑配制不同濃度的絲光溶液此外,配制I2一KI溶液和1M的直接湖藍染液。
紗線絲光用自制絲光架做不同燒堿濃度、溫度、時間的雙絲光試驗,同時做無張力絲光(堿縮)進行對比。
1.2 性能測試
強力測試 用單紗強力儀測定處理后的紗線強力;染色及 K/S值的測定是將處理的紗線用直接湖藍染色后進行測色得到K/S值,比較染色性能和吸附性能,I2一KI實驗是將處理的紗線用I2—KI溶液上色,比較得色情況}光澤判斷口是將處理的紗線進行切片,觀察橫截面判斷光澤的好壞。
2 結果與討論
2.1 燒堿濃度
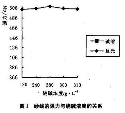
測量經不同濃度燒堿雙絲光及兩次堿縮后紗線的強力及染色性能、吸附性能變化,結果如圖1、圖2所示。
.jpg)
.jpg)
由圖1可知,當燒堿濃度由180 g/L變化到280
.jpg)
.jpg)
由圖3可知,當處理溫度由2O℃變化到4O℃時,雙絲光紗線的強力逐漸下降,表明處理溫度在2o℃時雙絲光后的紗線強力最大。而對于兩次堿縮的紗線,當處理溫度由2O℃變化到 4O℃時,強力也逐漸下降,表明當處理溫度在2o℃時兩次堿縮的紗線強力也是最大。
由圖4可知,當處理溫度由2O℃ 變化到3O℃時,雙絲光紗線的K/S值逐漸上升,當處理溫度由3O℃變化到4O℃時,K/S 值逐漸下降,表明當處理溫度在3o℃時K/S值最大,紗線的染色及吸附性能最好。而對于兩次堿縮的紗線,當處理溫度由2O ℃變化到4O℃時,K/S值逐漸下降,表明處理溫度在2O℃時 K/S值最大,紗線的染色及吸附性能最好。
由圖3和圖4可知,無論是雙絲光還是兩次堿縮,當處理溫度在2O℃到3O℃之間時效果較好 由于濃燒堿與纖維素纖維的反應是放熱反應,溫度越低對反應越有利,但溫度過低,一方面燒堿溶液粘度顯著增大,使燒堿不易進入纖維造成表面絲光,另一方面考慮到經濟效益,保持低溫需要相當大功率的冷卻設備和電力消耗,因此溫度不能過高也不能過低。此外,還可看出雙絲光后的紗線強力比兩次堿縮后的紗線強力大,但K/S值卻小,即染色性能和吸附性能較差。其原因同上。
2.3 處理時間
測量經不同時間燒堿雙絲光及兩次堿縮后紗線的強力及染色性能、吸附性能的變化,結果如圖5、圖6所示。
.jpg)
.jpg)
由圖5可知,當處理時間由1 min變化到5 min時,雙絲光紗線的強力逐漸上升;由5 min變化到6 min)時,強力逐漸下降,表明處理時間在5 min時雙絲光后的紗線強力最大 對于兩次堿縮的紗線,變化規律是一致的。
由圖6可知,當處理時間由1 min變化到5 min時,雙絲光紗線的K/S值逐漸上升,由5min變化到6min時,K/S值逐漸下降,說明當處理時間在5min時。雙絲光后的紗線K/S值最大,紗
.jpg)
3 結論
(1)雙絲光效果較好的工藝條件是.濃度為280 g/L,時間為5 min,溫度20~30℃。
(2)就紗線的強力和K/S值改善而言,雙絲光比單次絲光效果更好,紗線光澤更亮,手感更舒適,可使棉制品的服用性能有較大提高。
相關信息 







推薦企業
推薦企業
推薦企業