- [新聞]-->英威騰IPE200變頻器在扁鋼生產線主軋機上的應用
- [新聞]-->英威騰再獲新專利 引領電氣傳動 凸顯研發實力
- [新聞]-->英威騰被逼停建4000萬元變頻器項目
- [產品]-->Goodrive300變頻器
- [產品]-->CHHl00系列高壓變頻器
- [產品]-->CHV中壓系列矢量變頻器
產品推薦
產品分類
聯系方式
- 聯系人:英威騰
- 郵 箱:marketing@invt.com.cn
- 地 址:深圳市南山區龍井高發科技工業園4#樓——英威騰大廈
- 電 話:0755-86028999
- 傳 真:0755-86312937
- 網 址:http://www.invt.com.cn
英威騰CHH100高壓變頻器在煤礦主通風機上的應用
發布時間:2011-12-08
摘要:為了實現節能降耗,山西某大型煤礦企業針對高壓主通風機進行技術改造。根據設備的具體工藝情況,并且分析比較各種可能的技術方案,確定了采用高壓變頻技術的最佳解決方案。通過對改造前后主通風機運行情況的對比分析,得出改造后電能大幅度降低、提高了主通風機的控制水平的結論。
引言:節能降耗已成為我國的基本國策。煤礦企業既是產能大戶,又是耗能大戶,許多煤礦企業都非常重視高耗能用電設備的節能技改工作。特別是主通風機,設備功率大、24 h不停運轉。由于煤礦特殊的工藝要求,該設備存在很大的節能空問。在滿足礦井的通風需要的同時,又實現最大程度的節能,本文通過闡述對山西某大型煤礦企業礦井主通風機采用高壓變頻改造,選用功率單元串聯多電平高壓變頻器,實現了主通風機的電能節約和風量無級自動調節。1 、設備的工況和節能要求
1.1 、設備參數
煤礦企業主通風機為南陽防爆集團生產的2臺防爆對旋式軸流通風機。風機主要參數如下:
型號 BDK65—10一N026
電動機額定功率/kW 2 x 800
負壓/Pa 3077~120
風量/m •s 60~150
額定轉速/r-min 990
額定電壓/V 10000
額定電流/A 2x 56.3
絕緣等級 F級
1.2 、運行情況
2臺對旋風機互為備用,單臺電機運行電流在43 A左右,該風機月用電量在63萬kWh以上。
1.3 、對設備節能的具體要求
根據礦井具體情況,確定了采用變頻方式進行技術改造。
(1)在不影響通風量的前提下,變頻設備應大幅度降低原用電設備(指的是煤礦主通風機)的電能,節電量要在20% 以上。
(2)在不降低的基礎上,能夠提高原用電設備的安全性和穩定性。
(3)變頻設備自身的使用壽命長,損耗低,日常維護量少。同時能夠降低原用電設備的維護量。
(4)變頻設備操作方便、不改變原用電設備操作工的操作習慣。操作工在簡單培訓后就可以熟練操作變頻設備。
(5)為了滿足未來煤礦的發展需要,變頻設備容量留有一定的富裕。
2 、改造方案的確定
經過論證分析,確定了采用功率單元串聯多電平型高壓變頻器根據井下負壓值連續控制主通風機的風量的節能方案,利用1臺變頻器同時拖動1臺對旋風機的2臺電機,2臺對旋風機可以分時使用變頻。
2.1 、風量調節方式的選擇
礦井生產過程中,井下對風量的需求和通風網絡特性經常發生變化,需要經常調節風機的工況點以適應生產要求。《煤礦安全規程》對煤礦井下的通風量有具體規定,小了不能滿足要求,大了會使采煤工作面粉塵加劇而且浪費能源,操作工人通過觀察井下的負壓值高低來判斷風量是否適合。
原系統主通風機的風量調節主要是改變葉片安裝角度和節流調節,但是節流調節會造成能源浪費;改變葉輪葉片安裝角度一方面需停機操作,另一方面也會使風機效率發生變化,通常需調節的幅度較大時才采用。只有根據負壓值變化自動調節轉速的方式不改變風機的效率,在各個工況點實現不停機調節風機高效狀態下運轉。
2.2 、調速方式的選擇
(1)液力耦合器在電機和負載之間串人一個液力耦合裝置,通過液面的高低調節電機和負載之間耦合力的大小,實現負載的速度調節。這種調速方法實質上是轉差功率消耗型的做法,其主要缺點是隨著轉速下降效率越來越低,并且維護工作量大。
(2)串級調速 串級調速必須采用繞線式異步電動機,將轉子繞組的一部分能量通過整流、逆變再送回到電網,而現在工業現場幾乎都采用鼠籠式異步電動機,更換電機非常麻煩。這種調速方式的調速范圍一般在70% ~95%,調速范圍窄。容易造成對電網的諧波污染,功率因數低;串級調速電機受轉子滑環的影響,大功率無法實現;滑環維護工作量大;屬于落后技術。
(3)變頻調速方式(根據公式n=60f(1一s)/P)通過高壓變頻器改變電源頻率來調節三相異步電機的轉速。這種調速方式調速范圍寬、設備使用壽命長、自身能耗低、日常維護量少。缺點是設備造價比較高,但是隨著高壓變頻器大規模的推廣,其造價正在逐步降低。通過以上分析可見高壓變頻方式最為合適。
2.3 、高壓變頻器種類的選擇
高壓變頻技術由于現有的電力電子器件耐壓不足,所以每臺產品均需要使用大量的電力電子器件。這些器件組合的多樣性,使得高壓變頻電路組合也很多,當前常用的高壓變頻器主要有以下幾類技術。
方案:
(1)高低高方式
即變頻器為低壓變頻器,采用輸入降壓變壓器,先把電網電壓降低,然后采用1臺低壓變頻器實現變頻;對于電機,則有2種辦法:①改用低壓電機;②仍采用原來的高壓電機,需要在變頻器和電機之間再增加1臺升壓變壓器,即高一低一高變頻方式。這種做法由于采用低壓變頻器,容量也比較小,對電網側的諧波較大。
(2)三電平電壓型高壓變頻調速方式
三電平電壓源型高壓變頻技術通過獨特的二極管鉗位(或者其他的鉗位)方法,可以使系統的輸出電壓增加一個電平,與兩電平相比較,這種方式的相電壓可以有3個電平輸出,故稱為三電平。同時每個電力電子器件所承受的耐壓只有直流母線電壓的一半,所以采用這種方式,可以使電力電子器件的耐壓要求降低一半,當采用一些高壓的全控型器件,如高壓IGBrI1、IGCT、ⅢCI1、GTO晶閘管時,可以直接實現高壓輸出。由于控制上難度較大,這種方法目前應用比較少,技術尚不成熟,所以不采用。
(3)功率單元串聯式多電平高壓變頻方式
功率單元串聯式多電平高壓變頻產品是在輸入端設置1臺輸入隔離變壓器,將輸入高壓交流電變成多組低壓交流電,每組低壓交流電分別輸入到1個功率單元,經整流濾波為直流電后,再經逆變成為交流電,各功率單元的交流信號在逆變側串聯成為高壓交流輸出供給高壓電動機。為了減少輸入諧波,變壓器的每個二次繞組的相位1次錯開1個角度,形成多脈沖、多重化整流方式。其逆變輸出采用多重PWM方式,輸出諧波非常小。這種方式采用低壓器件實現高壓變頻輸出,器件無需串聯,輸入輸出諧波非常小,是一種成熟穩定的高壓變頻技術。
本次改造選用的就是功率單元串聯式多電平高壓變頻器產品。
2.4 、控制方式的選擇
由于進行的是設備節能改造,所以在保證穩定性的前提下,成本是優先考慮的。一拖二方式在性能上基本與一對一方式相同,工程造價上降低50%以上的費用。以下是2種方式的介紹:
(1)一對一的方式
一對一的方式即變頻器與電機一對一方式。由于對旋風機為2臺風機首尾相對放置,那么1臺對旋風機就需要2臺變頻器。這種方式的優點是控制簡單,系統穩定性高。由于4OO kW以下的高壓變頻器原材料成本幾乎一樣,所以這樣的工程造價將非常大。如果把備用的對旋風機也全部配齊的話,整個工程造價將又翻一倍。
(2)一拖二的方式
一拖二方式就是1臺變頻同時拖動1臺對旋風機的2臺電機,2臺對旋風機可以分時使用該變頻器。這種方式缺點是控制系統復雜,安裝調試時間長。但是優點是整個工程造價低(比一對一方式降低一半以上費用),設備使用率高。
3 、高壓變頻設備介紹
通過對各方面比較,決定采用高壓變頻器對主通風機進行改造。選用了深圳市英威騰電氣股份有限公司生產CHH100-1600-10的高壓變頻器。
(1)高壓變頻器的主要性能指標
變頻器容量/kVA 1900
輸入頻率/Hz 0~50
額定輸入電壓/kV 10.0(±10%)
輸出頻率范圍/Hz 一50~+50
過載能力/% 120(1 min);150立即保護
性能滿足相關指標:IEEE519—1992((電源系統諧波控制推薦規程和要求》;GB/T14549—1993(電能質量公用電網諧波》。
(2)性能主要特點
①高壓變頻調速系統采用直接“高一高”變換形式,為單元串聯多電平拓撲結構,主體結構有多組功率模塊并聯而成;采用單元串聯疊波技術、空問矢量控制的正弦波PWM調制方法。
②變頻裝置控制采用LED鍵盤控制和人機界面控制2種控制方式,2種方式互為備用,2種方式從就地界面上可以進行增、減負荷,開停機等操作。裝置保留至少一個月的故障記錄。
③在20% ~100% 的調速范圍內,變頻系統在不加任何功率因數補償的情況下,本機輸入端功率因數達到0.97以上,減少無功輸入,降低了供電容量。
④變頻裝置對電網電壓的波動有較強的適應能力,在一10% ~+10%電網電壓波動時能滿載輸出。可以承受35%的電網電壓下降而正常繼續運行,能適應煤礦電壓大幅波動的電網環境。
⑤變頻裝置設以下保護:過電壓、過電流、欠電壓、缺相保護,短路保護,失速保護,變頻器過載、電機過載保護,半導體器件的過熱保護,瞬時停電保護等,聯跳至輸入側10 kV開關。保護的性能符合國家有關標準的規定,并提供故障、斷電、停機等報警。
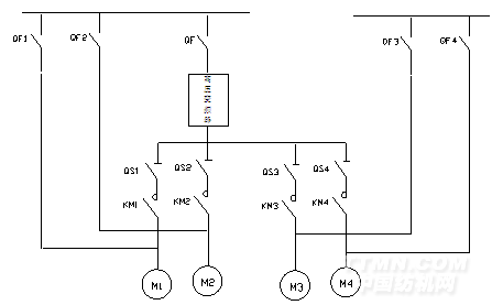
(3)具體控制方案
如圖1所示,此系統由QF、QF1 ~QF4,高壓變頻器、自動切換柜(QS1 ~QS4,KM1 ~KM4組成)、電動機M1 ~M4組成。高壓開關柜為變頻器饋電,并為其提供保護,保護主要有速斷保護、過載保護、過電壓保護,其整定值根據變頻器額定值計算。變頻器與高壓柜之間的聯鎖關系有:
①合閘閉鎖將變頻器“合閘允許”信號串聯于高壓開關合閘回路。變頻器故障或不能就緒時,高壓開關(斷路器QF)合閘不允許。
②故障分閘將變頻器“高壓分斷”信號并聯于高壓開關分閘回路。當變頻器出現故障時,分斷變頻器高壓輸入。
③隔離開關、真空接觸器以及高壓斷路器之間的閉鎖關系KM1 與KM 4電氣互鎖;KM1 與KM3,電氣互鎖;KM2 與KM3 電氣互鎖;KM2與KM4,電氣互鎖;控制同一臺電機的高壓斷路器和真空接觸器同時只允許一個閉合,如QF閉合,則KM1 不允許合閘,KM 1合閘,則QF 不允許合閘。
④當M1 正轉M2 同時反轉時,即拖動一臺對旋通風機變頻運行時,斷開QF1、QF2,分別合上QS1 、Q S2、KM1 、KM2:、QF;當變頻器出現故障時,由另一臺對旋式風機運行,即斷開QF、KM1 、KM2、QS1 、QS2,合上QF3、QF4、KM3、KM4。
⑤ 當變頻器出現故障或需要檢修時,只要斷開QF和QS1 ~QS4即可。變頻器具有反風功能。柜門上有1~4 風機運行指示,KM1 ~KM4,分閘和合閘指示。
.png)
圖1 電氣控制電路圖
4、 變頻設備運行情況
變頻器于2011年6月30日安裝完成,7月3日投入運行。變頻器顯示采用中文圖形界面,觸摸屏操作,生動直觀,變頻器的運行狀態一目了然,各種運行數據可在觸摸屏上查詢,便于操作人員及時了解變頻器的運行情況。變頻器操作簡單,兩級風機可以同時起動,可在3 min之內起動至高速,短時間內達到所需風量。縮短的起動時間確保了生產安全。反風操作比以前簡單可靠,完全可滿足1Omin內實現反風的要求。根據實測累計節約電能50586 kWh/d。變頻器投入運行以來一直運行穩定,輸出頻率、電壓和電流符合要求,變頻器網側實測功率因數為0.976,效率均高于96% ,滿載時網側電流諧波總容量小于3% 。






