- [新聞]-->英威騰IPE200變頻器在扁鋼生產線主軋機上的應用
- [新聞]-->英威騰再獲新專利 引領電氣傳動 凸顯研發實力
- [新聞]-->英威騰被逼停建4000萬元變頻器項目
- [產品]-->Goodrive300變頻器
- [產品]-->CHHl00系列高壓變頻器
- [產品]-->CHV中壓系列矢量變頻器
產品推薦
產品分類
聯系方式
- 聯系人:英威騰
- 郵 箱:marketing@invt.com.cn
- 地 址:深圳市南山區龍井高發科技工業園4#樓——英威騰大廈
- 電 話:0755-86028999
- 傳 真:0755-86312937
- 網 址:http://www.invt.com.cn
英威騰CHV190系列變頻器在門座式起重機中的應用
發布時間:2009-04-30
1 前言
隨著工業生產對起重機調速性能要求的不斷提高,常用傳統的起重機調速方法如:繞線轉子異步電動機轉子串電阻調速、晶閘管定子調壓調速和串級調速等共同的缺點是繞線轉子異步電動機有集電環和電刷,它們要求定期維護,由集電環和電刷引起的故障較為常見,再加上大量繼電器、接觸器的使用,致使現場維護量較大,調速系統的故障率較高,而且調速系統的綜合技術指標較差,已不能滿足工業生產的特殊要求。
交流變頻調速技術在工業界的廣泛應用,為交流異步電動機驅動的起重機大范圍、高質量地調速提供了全新的方案。它具有高性能的調速指標,可以使用結構簡單、工作可靠、維護方便的鼠籠異步電動機,并且高效、節能,其外圍控制線路簡單,維護工作量小,保護監測功能完善,運行可靠性較傳統的交流調速系統有較大的提高。所以,采用交流變頻調速是起重機交流調速技術發展的主流。
交流變頻調速技術應用于起重機后,與市場上大量使用的傳統的繞線異步電動機轉子串電阻調速系統相比,可帶來以下顯著效益。
(1)采用交流變頻調速技術的起重機由于變頻器驅動的電動機機械特性硬,具有精確定位的優點,不會出現傳統起重機負載變化時電動機轉速也隨之變化的現象,可以提高裝卸作業的生產率。
(2)變頻起重機運行平穩,起、制動平緩,運行中加、減速時整機振動和沖擊明顯減小,安全性提高,并且延長了起重機機械部分的壽命。
(3)機械制動器在電動機低速時動作,主鉤以及大、小車的制動由電氣制動完成,所以機械制動器的制動片壽命大為延長,維護保養費用下降。
(4)采用結構簡單、可靠性高的鼠籠異步電動機取代繞線轉子異步電動機,避免了因集電環、電刷磨損或腐蝕引起接觸不良而造成電動機損壞或不能起動的故障。
(5)交流接觸器大量減少,電動機主回路實現了無觸點化控制,避免了因接觸器觸頭頻繁動作而燒損以及由于接觸器觸頭燒損而引起的電動機損壞故障。
(6)交流變頻調速系統可以根據現場情況,靈活調整各檔速度和加、減速時間,使得變頻起重機操作靈活、現場適應性好。
(7)交流變頻調速系統屬高效率調速系統,運行效率高,發熱損耗小,因此比老式調速系統大量節電。
(8)變頻器具有完善的保護、監測及自診斷功能,如再結合PLC控制,可大幅度提高變頻起重機電控系統的可靠性。
2 門座式起重機的特點
門座式起重機是一種用來起吊、放下和搬運重物,并使重物在一定范圍內移動的起重、搬運設備,在生產過程中起著重要作用。門座式起重機系統分為起升(抓斗門機由支持、閉合機構組成)、變幅、旋轉、行走四部分。
門座式起重機是隨著港口事業的發展而發展起來的,在發展過程中,門座式起重機還逐步推廣應用到作業條件與港口相近的船臺和水電站工地等處。按用途可分為3類:①裝卸用門座起重機:主要用于港口和露天堆料場,用抓斗或吊鉤裝卸。起重量一般不超過25噸,不隨幅度變化。工作速度較高,故生產率常是重要指標。②造船用門座起重機:主要用于船臺、浮船塢和艤裝現場,進行船體拼接、設備艤裝等吊裝工作,用吊鉤作為吊具。最大起重量達300噸,幅度大時起重量相應減小。有多檔起升速度,吊重輕時可提高起升速度。有些工作機構還備有微動裝置,以滿足安裝要求。門座高度大者,可適應大起升高度和大幅度作業的要求,但工作速度較低,作業生產率不高。③建筑安裝用門座起重機:主要用在水電站進行大壩澆注、設備和預制件吊裝等,一般用吊鉤。起重量和工作速度一般介于前兩類起重機之間。它具有整機裝拆運輸性好、吊具下放深度大、能較好地適應臨時性工作和棧橋上工作等的特點。
2.1 使用環境
門座式起重機大多用于港口碼頭、貨場、重工企業等的露天環境,室外溫度變化劇烈,有些場所存在多粉塵、有腐蝕氣體等,使用環境惡劣。門座式起重機運行中振動、沖擊較大,供電電源方面普遍存在變壓器容量小,供電電纜截面小、線路長;在大型設備啟動時,常造成瞬時欠電壓。
2.2 機構組成及運行特征
門座式起重機有起升、回轉、變幅和運行機構,前3種機構裝在轉動部分上,每一周期內都參加作業。轉動部分上還裝有可俯仰的傾斜單臂架或組合臂架及司機室。運行機構裝在門座下部,用以調整起重機的工作位置;帶斗門座起重機還裝有伸縮漏斗、帶式輸送機等附加設備,以提高門座起重機用抓斗裝卸散狀物料時的生產率。除電氣保護裝置外,還裝有起重量或起重力矩限制器、起重機夾軌器等安全裝置。
門座式起重機的各類機構都屬于恒轉矩負載;此外,不同的機構還具有各自的特點。
(1)起升機構由于重物在空間具有位能,是位能性負載。其特點是:重物上升時,電動機克服各種阻力(包括重物的重力、摩擦阻力等)而作功,屬于阻力負載;重物下降時,由于重物本身具有按重力加速度下降的能力(位能),因此當重物的重力大于傳動機構的摩擦阻力時,重物本身的重力(位能)是下降的動力,電動機成了能量的接受者,屬于動力負載;但當重物的重力小于傳動機構的摩擦阻力時,重物仍需由電動機拖動下降,屬于阻力負載。
(2)變幅、旋轉、行走機構都是阻力負載。但室外起重機的這些機構有時在較大風力情況下成為動力負載。
(3)起重機應具有大的啟動轉矩,通常超過150%的額定轉矩,若考慮超載實驗等因素,至少應在起動加速過程中提供200%的額定轉矩。
(4)由于機械制動器的存在,為使變頻器輸出轉矩與機械制動器的制動轉矩平滑切換,不產生溜鉤現象,必須充分研討變頻器啟動信號與機械制動器動作信號的控制時序。
(5)當起升機構向下運行或行走機構急減速時,電動機將處于再生發電狀態,其能量要向電源側回饋,必須根據不同的現場情況研討如何處理這部分再生能量。
(6)起升機構在抓吊重物離開或接觸地面瞬間負載變化劇烈,變頻器應能對這種沖擊性負載進行平滑控制。
3 電動機的選用
籠型異步電動機由變頻器供電時,因為市場上出售的變頻器大多采用PWM調制方式,會由于高次諧波的影響和電機運行速度范圍的擴大,出現一些工頻電源供電時沒有的新問題。
(1)諧波的影響
采用PWM調制方式的通用變頻器給籠型異步電動機供電時,電動機定子電流中含有豐富的高次諧波,高次諧波造成電動機的鐵損和銅損增加,致使電動機的溫度上升。統計資料表明,電動機在額定狀態下,變頻器供電的電動機比工頻供電時,電流增加10%,而溫升增加20%左右。選擇電動機容量時,應留有裕量,防止電動機溫升過高,影響其壽命。
另外,當電動機的尺寸大于280時,為了避免出現因高次諧波引起的軸電流,應在電動機的非傳動端安裝絕緣軸承,為進一步減小軸承電流,應使用屏蔽電機電纜,并且電動機外殼應很好接地。
(2)散熱能力的影響
標準籠型電動機的散熱能力,是按額定轉速下安裝在電動機軸上的冷卻風扇的冷卻風量考核的。當電動機調速運行時,額定轉速以下會隨著轉速的降低其散熱能力變差。門座式起重機的起升、行走機構均為恒轉矩負載,為了保證低速運行時電動機溫升在容許值內,須采用變頻專用電動機。現在國內推出的變頻專用電動機由普通籠型異步電動機加裝獨立風扇組成,并且提高了電機繞組的絕緣能力,擴大了電動機的調速范圍,可在3—100Hz范圍內連續運行。3—50Hz范圍內為恒轉矩運行,50—100Hz范圍內為恒功率運行。
(3)電動機絕緣的影響
現在市場上出售的通用變頻器大多采用PWM調制方式的IGBT逆變器技術,其輸出電壓由高壓脈沖組成,峰值約為電網電壓的1.35倍。根據電機電纜特性及供電距離的不同,脈沖電壓的峰值在電動機接線端子處可能加倍,這就對電動機的絕緣提出了更高的要求,詳細情況應參閱變頻器生產廠家提供的使用手冊或向電動機生產廠商咨詢。
4 變頻器的選用
4.1 英威騰CHV190起重機專用變頻器簡介
4.1.1 主要功能簡介
CHV190起重機專用變頻器是英威騰針對起重行業專業應用設計的一款高性能矢量變頻器,用于各類起重機的起升、俯仰、變幅、大車、小車、回轉、抓斗等機構的交流無級調速。主要的功能及特點如下:
(1)抱閘邏輯控制與監控、預勵磁及起動預轉矩補償
準確的抱閘開啟和閉合控制時序,通過抱閘實時狀態反饋和起動預轉矩補償,確保控制的安全性和可靠性。
預勵磁功能是在啟動之前自動地對電機實行直流勵磁,以保證電動機快速地提供起動轉矩,并通過調節勵磁的時間使電動機的起動與機械制動器的釋放時間相配合,避免出現“溜鉤”現象。
(2)輕負載升速(電子副鉤)和松繩檢測
起重機空鉤或輕載時實現2倍速運行,提高裝卸效率。輕負載升速功能主要應用于起升高度較大的起重機:在起升機構空載運行時自動使速度上升,以縮短時間來提高裝卸效率;重載時自動降低速度以確保設備和人身的安全。變頻器根據啟動后一段時間內的平均電流值來判斷負荷的大小:當負載重時,變頻器自動降低輸出頻率;當負載輕時,變頻器自動提高輸出頻率。松繩檢測功能防止在起重機繩索松弛的情況下,輕負載升速功能誤動作引發的不安全運行。
(3)控制回路電源和主回路電源可以分別控制,提高了用戶調試時的安全性,便于故障診斷與維護。
(4)主從控制功率平衡與速度同步技術
在兩個大功率電機通過減速箱剛性連接驅動一個起升機構時,主從控制功率平衡功能保證兩個電機出力均勻;在雙起升機構提升一個重物時,主從控制速度同步功能保證兩個起升機構同步提升,確保安全。
(5)第二電機控制及切換功能
一臺變頻器通過參數自學習可以自動存儲兩套電機參數,通過切換指令實現對兩組電機的高性能矢量控制;便于電氣傳動系統的控制,降低用戶成本。
(6)同時支持PROFIBUS-DP和MODBUS、INTERNET多種通訊協議,能實現多個變頻器和PLC之間的通訊連接。
(7)危險速度監視、快速停車及超速保護
變頻器實時監測電機的運行速度,當電機速度大于設定的最高允許速度或速度偏差值時,變頻器發出故障報警并立即停止輸出,機械制動器動作,使起重機處于安全狀態。
快速停車功能給用戶提供以下三種方式供選擇:
方式1:電氣制動的停車;方式2:電氣制動加機械制動的停車;方式3:機械制動的停車。
(8)起重機操作模式
根據起重機不同的操作模式,為用戶提供以下操作模式選擇:操縱桿模式、遙控模式、電動電位器模式、分級操縱桿給定模式、分級遙控給定模式、通訊給定模式等。
4.1.2 應用范圍
CHV190起重機專用矢量變頻器,具有優異的力矩控制性能,廣泛適用于岸邊集裝箱起重機(STS)、軌道式集裝箱龍門起重機(RMG)、輪胎式集裝箱龍門起重機(RTG)、門座式起重機、造船用龍門起重機、裝船機、卸船機、翻車機、堆取料機等各類港口機械,以及各類普通橋式、門座式、塔式起重機和提梁機、架橋機等起重機械的起升、變幅、大車、小車、回轉、抓斗等機構的交流無級調速。
4.2 變頻器容量計算
下面就門座式起重機的起升、行走(回轉)機構的變頻器選用原則做以詳細說明。
(1)起升機構
門座式起重機起升機構所需的電動機軸輸出功率:
Wν
PM = ————
6120η
式中W——起升機構額定提升負荷的重量,kg
ν——起升機構的額定速度,m/min
η——起升機構的機械效率
變頻器的容量必須大于負載所需求的輸出,即:
k PM
P0[KVA] ≥ ————
ηcosφ
式中k——過載系數1.33
PM——負載要求的電動機軸輸出功率,kW
η——電動機效率
cosφ——電動機的功率因數
起升機構要求的起動轉矩為1.3—1.6倍的額定轉矩,考慮到需有125%的超載要求,其最大轉矩需有1.6—2倍的額定轉矩,以確保其安全使用。對于拖動等額功率電動機的變頻器來說,可提供長達60秒、150%額定轉矩的過載能力,因此過載系數k=2/1.5=1.33。
在變頻器容量選定后,還應做電流驗證,即:
ICN≥kIM
式中k——電流波形修正系數(PWM調制方式時取1.05—1.1)
ICN——變頻器額定輸出電流,A
IM——工頻電源時的電動機額定電流,A
一般的大噸位起重機有兩個獨立驅動的起升機構,每個起升機構由2臺電動機同步驅動各自的鋼絲繩卷筒轉動,再經過動滑輪組多級減速提升吊鉤。起升機構的變頻調速傳動方案采用一臺變頻器帶一臺電動機的“一拖一”方案,為了提高低速傳動時的動態特性和高轉矩輸出能力,每臺電動機采用帶脈沖編碼器的速度閉環控制。每個起升機構的2臺變頻器之間采用CHV190變頻器提供的具有功率平衡和速度同步控制功能的主從控制方案,這些控制方案可以實現2臺電動機精確的轉矩平衡分配和2個起升機構的速度同步。
(2)行走、回轉機構
門座式起重機的行走、回轉機構大多采用多臺電動機傳動方案。由于門座式起重機行走機構的轉動慣量較大,為了加速電動機需有較大的起動轉矩,因此門座式起重機行走機構所需的電動機軸輸出功率PM應由負載功率Pj和加速功率Pa組成,即:
PM≥Pj+Pa
行走機構所需的負載功率為:
µ Wν
Pj = ————
6120η
式中 µ——行走機構的摩擦系數
W——行走機構額定負荷的重量,kg
ν——行走機構的額定速度,m/min
η——行走機構的機械效率
行走機構所需的加速功率為:
knM GD²nM
Pa = ————— × ————
974ηcosφ 375 tA
式中k——電流波形修正系數(PWM調制方式時取1.05—1.1)
nM ——行走機構的電動機額定轉速,r/min
cosφ——電動機的功率因數
η——電動機效率
GD²——行走機構換算到電動機軸上的總轉動慣量,kg·m²
tA——電動機加速時間(根據負載要求確定),s
由于行走機構大多采用一臺變頻器拖動多臺電動機的通用U/f開環頻率控制方式,因此在變頻器容量選擇時,還應滿足以下公式:
ICN≥knIM
式中k——電流波形修正系數(PWM調制方式時取1.05—1.1)
ICN——變頻器額定輸出電流,A
IM——工頻電源時單臺電動機的額定電流,A
n——一臺變頻器拖動的電動機數量
5 再生能量的處理
當采用變頻器傳動的起升機構拖動位能性負載下放或行走機構急減速、順風運行時,異步電動機將處于再生發電狀態。逆變器中的六個回饋二極管將傳動機構的機械能轉換成電能回饋到中間直流回路,并引起儲能電容兩端電壓升高。若不采取必要的措施,當直流回路電容電壓升到保護極限值后變頻器將過電壓跳閘。
在高性能的工程型變頻器中,對連續再生能量的處理有以下兩種方案。① 在中間直流回路設置電阻器,讓連續再生能量通過電阻器以發熱的形式消耗掉,這種方式稱為動力制動;② 采用再生整流器方式,將連續再生能量送回電網,這種方式稱為回饋制動。英威騰推出的DBU型能耗制動單元和RBU型能量回饋單元的具體參數可參見說明書。
下面對這兩種制動方式做以詳細介紹。
(1)動力制動
動力制動由制動單元和制動電阻構成。變頻器設置了制動單元和制動電阻后,其動力制動能力取決于制動電阻的允許功率。因此,計算再生功率PM時,必須滿足PM<PR(PR為制動電阻的允許功率)。如果再生功率超過制動電阻的允許功率時,要重新考慮減速時間及負載慣量等。下面詳細敘述設置制動電阻后,如何計算制動電阻的再生功率PM和電阻值RB。
① 計算再生能量EM
② 計算再生功率PM
PM = EM/t0
式中 PM——制動期間電機產生的有效再生功率,W
EM——機構急減速及下降時的再生能量,J
t0——制動周期時間,S
③ 選擇合適的制動單元/制動電阻組合
選擇合適的制動單元/制動電阻組合,必須滿足下列條件:
PM<PR&PM<PDB
式中 PM——制動期間電機產生的有效再生功率,W
PR——制動電阻的允許功率,W
PDB——制動單元的允許功率,W
當計算的PM>PR時,表明超出了制動電阻的處理能力,需重新核算負載慣量和減速時間。
④ 制動電阻RB0的計算
在再生回饋制動中,即使不設置制動電阻,依靠電機內部損耗也可獲得約20%的制動轉矩,因此可用下式計算所需的電阻值RB0:
VC²
RB0 = ——————————
1.027(TB-0.2TM)n1
式中VC——變頻器中間直流回路的電壓(約為700V),V
TB——制動轉矩,kg·m
TM——電動機額定轉矩,kg·m
n1——電動機開始減速時的速度,rpm
動力制動的放電回路由制動單元和制動電阻構成,其最大電流受制動晶體管最大允許電流IC的限制,制動電阻最小允許值RMIN=VC/IC。因此制動電阻選用時其實際值RB應滿足以下條件:
RMIN < RB < RB0
上述選型是建立在精確的計算基礎上,在實際工程中如果精確的計算數據不能取得,也可按下述給出的經驗公式選型。
①起升機構的再生功率PM
PM = Pb×ηtotal
ηtotal=ηmec×ηmot×0.98
上式中,Pb為實際的負載再生發電功率,ηmec為機械效率,ηmot為電機效率。
②制動電阻RB0的近似計算
VC²
RB0 = ——
PM
由于行走機構屬于摩擦負載,其制動單元和制動電阻可按變頻器的標準配置。
(2)回饋制動
為了實現把制動狀態的電動機再生發電能量向電網回饋,網側變流器應采用可逆變流器。英威騰推出的能量回饋制動單元,它的網側變流器與逆變器結構相同,采用一塊具有PWM控制方式的電網電壓識別板。由于采用了PWM控制技術,對網側交流電壓的大小和相位可以進行控制,可以使交流輸入電流與電網電壓同相位并接近正弦波,傳動系統的功率因數大于0.9,回饋制動時有100%電網回饋能力,而不需要自耦變壓器。
動力制動方式控制簡單、成本低,但節能效果不如回饋制動。回饋制動方式雖然節能效果好,能連續長時制動,但控制復雜、成本較高。應該注意的是,只有在不易發生故障的穩定電網電壓下,才可以采用回饋制動方式。對于采用滑觸線供電的起重機,應特別注意防止滑觸線電刷接觸的間斷,如果不能保證這一點,建議采用動力制動方式,以保證起升機構持續下降時調速制動的可靠性。
6 布線設計
6.1 變頻器主回路
門座式起重機起升機構的變頻器采用矢量控制方式,它們要用所傳動電動機的一些電機常數,而數據的獲得是由變頻器的參數自檢測程序來完成的。如果按常規的導線發熱校驗選擇電機的配線,必然在長距離供電時,把線路阻抗加入到了參數自檢測出的電機數據中,引起變頻器的控制精度下降,達不到設計要求。另外,變頻器與電動機之間的敷設距離長,則線路壓降大,有時產生電機轉矩不足。特別是變頻器輸出頻率較低時,其輸出電壓也低,線路壓降所占的比例增大。變頻器與電機間的線路壓降以不超過額定電壓的2%為容許值,電機電纜的截面可據此來選擇。
由于在變頻器的輸出布線中存在寄生電容,其容量與電機電纜的長度成正比,電機電纜的寄生電容容量越大,采用PWM控制方式的變頻器輸出電纜中的漏電流也越大,從而造成變頻器的出力不夠。所以在門座式起重機的布線設計中,應力求減小變頻器到電動機的電纜的長度總和。
6.2 控制回路
變頻器的控制信號為微弱的電壓、電流信號,所以與主回路不同,變頻器的輸出回路是強電磁干擾源,因此,變頻器控制回路的配線不能與變頻器主回路配線在同一根鐵管或同一配線槽內敷設。為了進一步提高抗干擾效果,還應采用1.0mm2絕緣屏蔽導線。絕緣屏蔽導線的接地應在變頻器側進行單點接地,使用專用的接地端子,不與其它的接地端子共用。電磁感應干擾的大小與電線的長度成比例,所以要盡可能地以最短的線路敷設。在電磁干擾嚴重的場合,除了采取接地、屏蔽等措施外,還可以在變頻器的控制信號線上安裝數據濾波器,以進一步減小干擾電壓的影響。
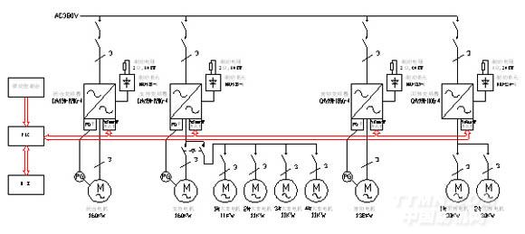
7 CHV190起重機專用變頻器在25t-35m門座式起重機中的應用介紹
.jpg)
7.1 25T-35M門座式起重機的主要參數如下:
(1)額定起重量:吊鉤下25m處40T;抓斗25T;
(2)起升高度:抓斗軌上20m;軌下15m;吊鉤軌上28m;軌下15m;
(3)幅度:最大35m,最小10m;
(4)工作機構運行速度
①起升速度:吊鉤額定25m/min;抓斗額定50m/min;空載60m/min;
②旋轉速度:0.8(幅度30-35m)/1.2(幅度10-30m)rpm;
③變幅平均速度:45m/min;
④行走速度:25m/min;
(5)電源:3相380V,50Hz
(6)整機工作級別:A8
7.2 電氣傳動單線圖
(1)起升機構
MC型40T抓斗門座式起重機起升機構由支持、閉合機構組成,兩機構均由1臺160KW變頻電機驅動,調速為帶編碼器的閉環矢量控制,采用INVT公司起重機專用變頻器CHV190-220G-4;制動單元為DBU-315-4,制動電阻:2Ω80KW;屬有檔位無級調速方式,采用Profibus-DP現場總線控制,內設S曲線加減速模式,保證重物提升過程中的穩定性。
(2)俯仰機構
俯仰機構由1臺132KW變頻電機驅動,調速為帶編碼器的閉環矢量控制,采用INVT公司起重機專用變頻器CHV190-185G-4;制動單元為DBU-315-4,制動電阻:2Ω60KW;屬有檔位無級調速方式,采用Profibus-DP現場總線控制,內設S曲線加減速模式,保證起升機構變幅過程中的穩定性。
(3)大車機構
大車運行機構由4臺11KW變頻電機驅動,和支持機構共用一臺變頻器通過切換分別控制,其中一組電機需要控制運行時,變頻器接收到轉換信號后自動切換到相應電機組參數。
.jpg)
(4)回轉機構
回轉機構由2臺30KW變頻電機驅動,調速為開環矢量控制,采用INVT公司起重機專用變頻器CHV190-110G-4;制動單元為DBU-220-4,制動電阻:4Ω20KW;屬有檔位無級調速方式,采用Profibus-DP現場總線控制,內設S曲線加減速模式,保證回轉機構的大慣性負載起制動平滑和運行的穩定性。
7.3 系統優點
(1)可靠的抱閘邏輯控制,同時抱閘時間可調,在保證不溜鉤的同時,也避免了電機的大沖擊電流。
(2)高性能的閉環矢量控制,在零速時可輸出180%的額定轉矩長達10S。增加了系統的可靠性。
(3)提升機械采用輕負載升速(電子副鉤)功能,吊重物時0-50HZ之間運行,空鉤可實現0-100HZ之間運行,以提高工作效率;
(4)多段速或者模擬量調速,加減速過程均按照S曲線模式,增加了工作的穩定性,減小了機械沖擊。延長設備使用壽命。
(5)多電機并聯后,變頻器自動辨識參數,建立有效的數學模型;控制精度非常高。
(6)單臺變頻器切換控制2組電機,自動辨識并存儲兩組電機參數,均可實現高性能控制。降低了設備的整機成本,極大提高了整機的競爭力。
(7)可調轉矩補償,實現精確控制。
7.4 變頻器的現場調試
限于篇幅,下面以支持機構變頻器的調試過程為例,簡要介紹CHV190變頻器的調試過程。
(1) 電機參數辨識
辨識電機參數在電機軸與負載脫開的情況下進行,首先設定電機參數P2.00-P2.05和編碼器參數P4.00-P4.01,然后設定 P0.07為1進行電機參數自學習,主要的參數如下:
自學習完成后,設定速度由低到高空載閉環矢量運行,觀察空載電流及電機運轉,確保正常。
.jpg)
(2) 其它參數的設定
P0組(基本功能組)、P1組(速度曲線組)、P4組(編碼器參數組)、P5組(輸入端子組)、P6組(輸出端子組)等參數可根據實際需要設定。
(3)抱閘時序控制測試
通過修改P8組 增強功能組中的抱閘合閘、松閘延時、停機延時等參數,調試抱閘時序控制情況。
(4) 帶負載閉環矢量運行及驗證輕負載升速(電子副鉤)功能
觀察抱閘時序控制正常后再安裝好主軸聯動機構,設定速度由低速到高速的步驟運行。帶負載調試時,堅持由輕負載到重負載的步驟調試,同時注意觀察變頻器運行電流及電機運轉狀態。通過修改P8組(增強功能組)中的輕負載升速使能參數,驗證吊重物時0-50HZ之間運行,空鉤時0-100HZ之間運行。
(5)調試波形
.jpg)
8 結束語
隨著電力電子技術的不斷發展完善,交流變頻調速技術日益顯現出優異的控制及調速性能,高效率、易維護等特點,加之它的價格不斷下降,使其成為起重機械一種優選的調速方案。但是,要使變頻器成功地應用于起重機調速,就必須針對起重機的特點,計算和選擇變頻器及其外圍的輔件,并在安裝與布線時采取特殊技術措施,以保證變頻調速的起重機安全、可靠地運行。
參考文獻:
1.INVT·CHV190變頻調速器操作說明書[Z]·2009·
2.韓安榮·通用變頻器及其應用[M]·機械工業出版社·2000·
3.段蘇振·交流變頻調速技術在門式起重機中的應用[J]·電氣傳動,2005,1·
4.段蘇振·交流變頻調速的電氣制動方式[J]·機床電器,2004,3·






