- [新聞]-->我司在2012中國國際紡織機械展覽會暨ITMA亞洲展覽會中大獲成功
- [新聞]-->紅旗紡機——打造尖端產品 樹立國際品牌
- [新聞]-->紅旗紡機:堅信用戶是質量的唯一裁判
- [產品]-->JA11A170CM高速噴氣織機
- [產品]-->JA11A-280噴氣織機
- [產品]-->JA11-190噴氣織機
- [視頻]-->青島天一集團紅旗紡織機械有限公司——2010年ITMA國際紡機展
- [視頻]-->青島天一集團紅旗紡織機械有限公司
- [視頻]-->青島天一集團紅旗紡織機械有限公司
產品推薦
產品分類
聯系方式
- 聯系人:楊富志
- 郵 箱:tyhqbgs_3311@163.com
- 地 址:山東省青島膠南市臨港工業園臨港一路888號
- 手 機:18653288737
- 電 話:0532-83192011
- 傳 真:0532-86196777
- 網 址:http://www.chinaredflag.com
噴氣織機引緯機構
發布時間:2011-07-07
引緯機構:
噴氣織機引緯是以壓縮空氣為引緯載體,利用壓縮空氣通過小孔釋放時產生的高速氣流將緯紗牽引穿過梭口,完成其引緯功能的。引緯功能的優劣很大程度上決定著噴氣織機的優劣。因此,引緯系統是噴氣織機的關鍵之一。
早期的噴氣織機引緯系統,是用一種多孔噴管直接向梭口中噴射氣流進行引緯。這種引緯方式氣流擴散嚴重,氣流速度在梭道中下降很快,梭道出口側的氣流紊亂,不能有效地牽引緯紗,引緯的有效長度不足1m,緯縮和缺緯等織疵難以避免,而且引緯所需要的氣壓較高,動力消耗大。
為了改變上述的氣流狀態,研究和發展了管道噴氣引緯。管道片有效地減少了氣流的擴散,提高了梭道出口側的氣流速度,為順利引緯提供了有利的條件。管道片引緯顯著地提高了布面質量,并使引緯有效長度達到1m以上,引緯需要的氣壓降低,動力消耗亦減少。因此管道片引緯的應用,使噴氣織機可以用來裝備生產車間,成為最早商品化的噴氣織機(圖2—2)。
.jpg)
由圖2—2可見,它的優點是空氣耗量較小,可以用普通筘打緯,鋼筘費用低。但由于打緯時,管道片需擺至織口下方,打緯機構需要適應管道片向下擺動的要求,不利于高速運轉。管道片與經紗的摩擦,要求原紗及上漿質量較高,織物經密也受到限制。主、輔噴嘴接力引緯,異形筘引導氣流引緯方式克服了上述問題。它的不斷完善,使噴氣織機成為高速、高效、優質、闊幅、省力、自動化程度高的有發展潛力的織機。
噴氣織機的引緯系統是由氣源凈化、氣壓調節或氣流調節、氣路、主、輔噴嘴,異形筘、儲緯器、緯紗供紗架,控制主、輔噴嘴氣流開關的電磁閥等裝置組成。
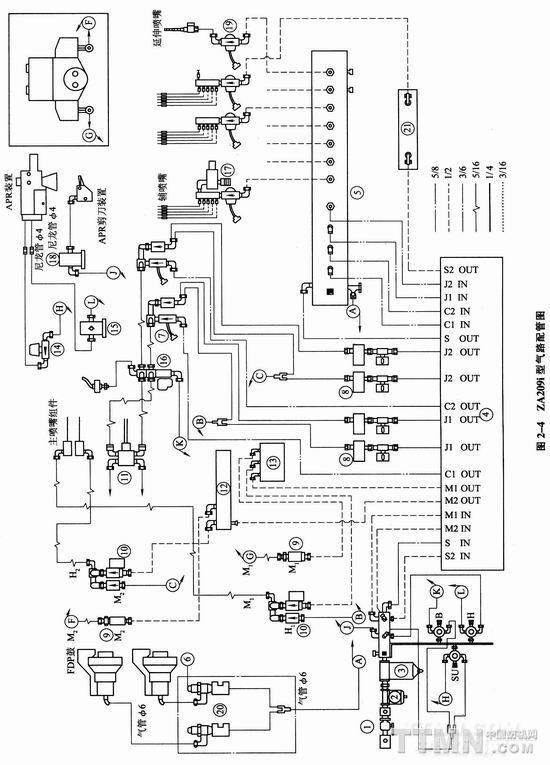
噴氣織機的空氣輸送系統是由空氣壓縮機出來的壓縮空氣,經過配管到達織機上的空氣過濾器,過濾后的空氣經過氣壓調節箱內的調壓閥調節壓力后,分送到噴射裝置的各執行器件。圖2—3為ZA209i型噴氣織機的空氣輸送系統。
.jpg)
壓縮空氣輸送進織機,先經過濾器,濾除雜質,然后進氣壓調節箱,分路調壓后,輸至主氣包和輔氣包中,再經氣路的開關電磁閥輸至主噴嘴、輔噴嘴、剪切噴、延伸噴和緯紗處理系統的上吹、吸收和保持裝置。常噴和貯緯器所需的壓縮空氣直接由輔氣包經節流閥供給,不需要電磁閥控制。氣包除具有儲氣功能外,還起穩壓作用。主氣包用來儲存主噴嘴用的壓縮空氣。在多色時,特別是緯紗差異較大時,每個主噴嘴對應一個主氣包。輔氣包主要用來儲存輔噴嘴用壓縮空氣。輔噴嘴耗氣量占全部耗氣量的80%左右(參見氣路配管見圖2—4,各部分名稱和作用見表2—2)。
.jpg)
1.氣源凈化
為保證噴氣織機的良好運轉,供給織機的壓縮空氣的質量極為重要。從壓縮機輸出的壓縮空氣中含有一些水分、油滴和灰塵,如直接用于引緯會引起主輔噴嘴及管路中附著物逐漸增加,氣流沿程壓力損失增大,造成能耗增加,嚴重時會造成氣路堵塞;引起電磁閥動作靈敏度下降,影響動作定時的準確性;引起調壓閥靈敏度降低,影響引緯氣壓的穩定;引起零件生銹,污染紗線,產生疵點,影響織物下機一等品率。因此,壓縮空氣需經氣源凈化裝置處理,濾掉粒度較大的各種雜物后,才能用于引緯。經氣源凈化裝置處理過的壓縮空氣,也并非十分純凈,仍然含有一定量的微小的水、油粒子和細小灰塵。壓縮空氣的純潔程度,由氣源凈化裝置中的過濾器精度決定。當然,壓縮空氣越潔凈越好,但是過濾器精度越高,其產生的壓降越大,即能耗越大,氣流量越小,因此要合理選擇空氣過濾器。過濾器精度一般要求為含油量小于0.01mg/kg,除塵精度為0.3цm。
.jpg)
2.氣壓調節裝置
用于噴氣織機的空氣壓縮機輸出氣壓一般為O.7MPa(7 kg/cm2),要求輸送到織機處時氣壓通常不低于0.55 MPa(5.5kg/cm2)。主噴嘴、輔噴嘴、剪切噴、常噴、牽伸噴等噴射氣流的作用不同,對氣壓高低的要求也就不同。因此,噴氣織機必須設置氣壓調節或氣流調節裝置,以滿足對氣壓高低或流量大小的不同需求。氣壓調節箱的作用是根據各噴射氣流對氣壓的不同需要,來調節供給各噴嘴的壓縮空氣的壓力。各噴嘴氣流壓力應分別調節。因此,每一噴氣氣流都有一調壓閥或節流閥與之對應。
氣壓高,氣流速度就快,對緯紗的牽引力也就越大,這是對引緯有利的一面。但氣壓過大時易引起斷緯等引緯故障;氣壓過低時,會產生緯紗引不到位或緯紗到達規定位置處時間滯后的引緯故障。另外,氣壓與能耗是成正比的,壓力越高能耗越大,所以要合理調整供給各噴嘴的壓力,在保證引緯順利的前提下氣壓應盡量低。
各調壓閥名稱和作用:
(1)常噴調壓閥:是設定主噴嘴常噴氣流大小的調壓閥。常噴氣流的作用是在非引緯時間內對緯紗進行控制,使其不逃離主噴嘴,以保證引緯的連續。
(2)剪切噴調壓閥:是設定主噴嘴剪切噴氣流大小的調壓閥。剪切噴氣流的作用是在供紗側剪刀作用時,對緯紗進行控制,防止緯紗在張力作用下脫離主噴嘴,以保證引緯的連續。
(3)主噴調壓閥:是設定主噴嘴引緯氣流大小的調壓閥。引緯氣流的作用是在輔噴氣流的配合下將緯紗牽引穿越織口完成引緯。
(4)輔噴調壓閥:是設定輔噴嘴引緯氣流大小的調壓閥。輔噴引緯氣流的作用是對主噴引緯氣流的能量進行補充,以使引緯氣流的速度恒定,保證在規定范圍內對緯紗有效牽引。
織機轉速提高時,應相應地提高主、輔噴嘴的壓力。
3.氣路
有各種規格的塑料管,管接頭,多目座、單向閥、節流閥用來將氣源凈化、氣壓調節、主輔氣包、各電磁閥、主噴嘴、輔噴嘴等按一定的順序連接起來。形成滿足使用要求的氣流通道。
軟管、管接頭的大小規格依據不同氣流量大小而定。直徑略大有利于減少沿程壓力損失。
4.主噴嘴
主噴嘴是氣流引緯的關鍵零件,它的性能直接影響著引緯效果。噴氣織機上,引緯工作主要是由主噴嘴、輔噴嘴及異形筘共同完成的。
主噴嘴的作用是:將進入主噴嘴的壓縮空氣,按工藝要求進行調制,加速并充分地作用于緯紗表面,使緯紗從靜止加速到引緯所需的飛行速度。將緯紗輸送到異形筘槽內并確定緯紗正確進入異形筘槽內的角度和位置。
噴氣織機主噴嘴數量根據織物決定,有單噴、雙噴、四噴、六噴、八噴。在織造單色織物時可設一個或兩個。用雙噴織造單色織物,可提高織物布面質量和織機速度,這是因為兩個主噴嘴輪流供緯,可相對降低緯紗在筒子上的退繞速度,降低緯紗斷頭率,減少緯紗條干不勻對織物的影響。
新型噴氣織機為了實現高速時的穩定引緯,加裝了輔助主噴嘴,輔助主噴嘴與主噴嘴構成串聯組合關系,可以縮短緯紗加速時間,從而為噴氣織機提高運行速度或拓寬筘幅創造了條件。2A型主噴嘴的結構見圖2—5。
.jpg)
噴氣織機主噴嘴由三部分組成,即噴嘴體B、噴嘴芯A、導紗管c。噴嘴內氣流通道則由氣流加速區、緯紗引射區和緯紗加速區組成。由儲緯器引來的緯紗從人口k進入引緯流道l。由主氣包來的高壓氣流從氣流入口a進入噴嘴。
5.輔助主噴嘴
用于配合主噴嘴用較低的氣壓對緯紗進行加速,可減少緯紗斷頭率,在寬幅或高速運行等緯紗張力較大的場合應用效果明顯。會增加織機氣耗量,在窄幅或中低速織布時不宜采用。
第一氣室b為環狀,氣流進入第一氣室時沿軸線方向及圓周方向流動,產生高速渦流。整流槽c為沿圓周分布的許多軸向條溝,第一氣室的高速渦流在流過溝槽時得到流動方向的調整,成為軸向氣流。
第二氣室d也是環狀,但氣流在第二氣室已成為軸向流動的高壓氣流。然后,氣流由錐狀收縮管e加速,達到接近音速的流速。喉部f是截面最小的環形縫隙流道,氣流通過喉部后,流速可達到當地音速。經過h處后,流速會快速下降。
導紗管c為變截面管流流道,一端插進噴嘴體,與喉部相連,另一端伸人大氣,并對準筘槽,噴嘴芯A的頭端成圓柱狀,伸進導紗管腔,與導紗管內壁形成圓環狀縫,氣流自出口h流出時,速度已接近音速以便能在緯紗引射區i內形成有力的引射區而將緯紗引人噴嘴內,高速氣流在較長的導紗管c內對緯紗進行充分作用使緯紗獲得足夠高的速度飛進梭口。
主噴嘴安裝時要特別注意,若安裝位置不合適將會嚴重影響緯紗的飛行狀態。主噴嘴應盡可能靠近布邊,同時其軸心線應對準異形筘槽的中心線為佳。
6.輔助噴嘴
又稱接力噴嘴,簡稱輔噴嘴它向著緯紗行進方向的斜上方噴射氣流。輔助噴嘴結構圖見圖2—6。
.jpg)
(1)輔助噴嘴的作用:在緯紗到達之前噴射,帶動緯紗前方空氣運動,減少空氣對緯紗的阻力;使緯紗前端產生相對負壓,對緯紗有吸引作用;補充主噴氣流的能量,使引緯氣流保持一定的速度,以接力的方式將緯紗送過梭口;克服緯紗重力,使之在筘槽中心略偏上的位置飛行。
在正常運轉時,輔助噴嘴的氣耗總量和氣壓與機上筘幅有關。輔助噴嘴的性能與外觀質量直接影響到織機速度、織造效率、能耗大小和織物質量。因此對輔助噴嘴的性能有如下要求:
噴嘴出口風速高,各噴嘴問風速的一致性好;氣流集束性好,射程盡可能遠;有準確的噴射角度;內腔和表面光滑。
(2)輔助噴嘴的類型:輔助噴嘴的外形和尺寸因機型和織物品種不同而有所不同。輔助噴嘴的分類,一般是根據其噴孔的數目和形狀分成圓形孔和非圓形孔兩大類。圓形孔可分為單孔、雙孔、五孔、七孔、十孔、十九孔和二十一孔等;非圓形孔可分成長方形孔、海星狀孔等。
由于各種輔助噴嘴在其氣流進口處的管徑、管子長度、壓扁形狀、孔數及孔徑等都存在著差異,在供氣壓力相同的條件下,各種輔助噴嘴的出口風速不盡相同。在生產中,單孔和多孔都得到了廣泛的使用。日本津田駒系列采用單孔輔助噴嘴、豐田JA采用雙孔,而歐洲各國多采用多孔的輔助噴嘴。輔助噴嘴噴孔示意圖見圖2—7。
.jpg)
輔助噴嘴在筘座上的分布如圖2—8所示,一般情況下,輔助噴嘴以5個為一組,也有2個、3個或4個為一組,每組噴嘴受控于一個電磁閥。因此,同組幾個輔助噴嘴的開閉時間是一樣的。輔助噴嘴數與筘幅有關,各組噴嘴噴射時間互相銜接,各噴嘴間距通常為60—80 mm,標準設定80 mm。
.jpg)
為避免緯紗飛至接近出口側時,紗線質量的影響引起速度減小和緯紗頭端飄動的現象,可以減小出口側輔噴嘴的間距,以確保緯紗頭端保持高速飛行和伸直。
(3)輔助噴嘴的調整:使用光電頻閃儀觀察緯紗飛行狀態。根據緯紗飛行的不同狀態調整輔助噴嘴。
最理想的緯紗飛行姿勢如圖2—9(a),大的“波形”緯紗在筘槽中心偏上方飛行的狀態是最理想的。
如圖2—9(b),小的“波形”緯紗不規則時,輔助噴嘴應進行以下調整:安裝角度變小;安裝高度升高;提高氣壓;清掃鋼筘。
.jpg)
整個緯紗都在筘槽中心偏下方飛行時,輔助噴嘴應作如下調整:加大安裝角度;縮短安裝間距。
(4)延伸噴嘴:延伸噴嘴也叫牽伸噴嘴,安裝在最末一只輔助噴嘴之后,位于布幅之外。延伸噴嘴的結構與輔助噴嘴相似,供氣時間長,可牽引緯紗伸直。當主、輔噴嘴先后關閉后,延伸噴嘴仍繼續保證噴射,以免在綜平前緯紗反彈。用于防止緯紗反彈產生緯縮等,多用于緯紗為強捻長絲或包芯紗等場合。采用較高的氣壓會增加織機氣耗量(圖2—10)。
.jpg)
7.氣流控制閥
噴氣織機用的氣流控制閥有機械式和電磁式兩種形式,是控制主輔噴嘴噴射定時的執行元件。要求其具有較高的開閉頻率、高速響應特性。
(1)機械式氣流控制閥[圖2一ll(a)]:最早用在噴氣織機上的氣流控制閥是機械閥,靠凸輪來完成氣流控制閥的開閉,沒有自調功能,調整不方便且易磨損、壽命短,目前在噴氣織機上已很少使用。
(2)電磁式氣流控制閥[圖2一11(b)]:由于電磁式氣流控制閥具有受控性較好,動作靈敏,調節簡單,使用壽命長等優點,已在噴氣織機上得到廣泛應用。
電磁閥的開啟時間為(8.8±O.4)ms,復位時間為(22±1.2)ms,頻率應不小于20 Hz,使用壽命1×109次以上,以確保適應不同的織機轉速。
織機運轉時,主、輔噴嘴噴射氣流的動作是由電磁閥控制的,電磁閥的動作由引緯電路所控制。
.jpg)
(3)電磁閥的控制特點:主、輔噴嘴的噴射定時(即電磁閥的動作定時),由鍵盤設定和調整,非常簡便。
在操作鍵盤上,可以將設定的定時用數字顯示出來。
定時是按曲軸轉角的角度方式設定的,即使變更轉速時,定時也可以不變,故一般不需要重新調整。
織機啟動、引第一緯時主噴嘴噴射定時可以延遲,以防止發生缺緯和松緯。
織機停止時曲軸不論在何位置,各噴嘴都不會噴氣,避免浪費壓縮空氣。
織機停止時用測試鍵可將全部電磁閥以規定的時間間隔順序進行開、關,以確認噴嘴及配管是否正常、電磁閥動作是否正確。
具有慢引緯功能,可在點動運轉時進行單根緯紗的引緯,方便了機上軸工作。
新型引緯方式的特點是閉環控制。閉環控制是指探測系統探測到的緯紗是否按時到達的信息被傳至電腦,經電腦比較和判斷后給出下一緯的噴射時間和氣壓,以利于自動調整引緯參數,穩定緯紗飛行、提高織物質量。
8.儲緯器
由于噴氣織機采用卷裝量非常大的筒子紗供緯,緯紗在筒子上高速退繞時易發生斷紗,影響織機效率;同時緯紗退繞張力隨筒子直徑大小發生變化,會影響織物質量。采用儲緯器可消除因緯紗筒徑變化而產生的緯紗張力變化,減少緯紗斷頭率,達到提高織物質量和織機運轉效率的目的。因此,噴氣織機要實現高入緯率和保證產品的質量,必須配備性能優良的儲緯器。
片梭和劍桿織機引緯時,緯紗前端被強制牽引,引緯長度由片梭或劍桿的運動距離決定,故用于片梭和劍桿織機的儲緯器不需要定長裝置;而噴氣織機為自由端引緯,引緯長度用流體無法控制,故用于噴氣織機的儲緯器必須帶有定長裝置,才能有效控制引緯長度。
儲緯器的形式多種多樣,不同的公司有不同的形式,但大致可分為槽式氣流儲緯和鼓盤式儲緯二種。其中氣流槽式儲緯器,雖然具有結構簡單、價格低等優點,但因氣流對緯紗的控制力弱,儲緯形狀不穩定且易糾纏打圈、吹毛緯紗等,不適宜多噴,已被淘汰。鼓盤式儲緯器又分為機械式和電子式二種。電子盤式儲緯器,退解張力均勻,能滿足高速引緯要求并能實現自動控制,因此被廣泛采用(圖2—12)。
.jpg)
儲緯器在織機上的配置數量與主噴嘴數相同,可按織物對緯紗種類數的要求選擇單色、雙色、四色、六色或八色等。單色織物可應用雙噴混緯工藝,以利于改善織物質量,適應高速引緯。
9.電子鼓式測長儲緯器
(1)電子鼓式儲緯方式,用卷繞在鼓筒上的紗進行引緯,可降低引緯時的退繞阻力,由于阻力的減少就可相應地降低引緯氣壓。與氣流方式和機械鼓式儲緯相比,對壓縮空氣消耗量少;斷緯次數少,可以提高運轉效率和產品質量;引緯長度誤差小,可減少緯紗消耗量。
(2)鼓筒上卷繞圈數的控制,有的使用光電傳感器,也有的使用光電編碼器。儲緯器與織機的轉速比固定,因此在織機啟動加速或停車減速時,都能與織機同步,可以真正按需要的圈數卷繞,卷繞量恒定。
(3)采用設定緯紗到達規定位置處的時間為基準,每次緯紗到達規定位置的時間誤差,由止紗銷和主噴嘴動作定時的變化進行補償。
(4)織機啟動引第一緯容易出現失誤,采取主噴嘴噴射時間和止紗銷解舒時間延遲的辦法來控制。
(5)停機時變頻器電容中的電能,可立即使儲緯電動機停止運轉,所以再開機時,不需要進行任何處理就可直接開機,操作簡化,減少了紗線的浪費。
10.緯紗制動器
用于降低止紗銷作用時緯紗出現張力峰值,減少緯紗斷頭率,提高織機運行效率和織物質量。在緯紗為低持紗、條干不勻、紗線強力較弱、筘幅較寬或織機轉速較高等場合應用效果明顯,在其他場合沒有明顯效果。






